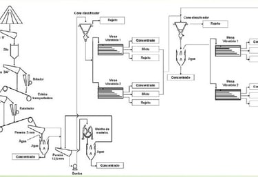
mESAS cONCENTRADORAS E OUTROS EQUIPAMENTOS PARA BENEFICIAMENTO DE OURO
Importação e Venda de equipamentos para beneficiamento de minérios
Nacionalizamos e fornecemos soluções para beneficiamento de minérios com qualidade e eficiência.
ORESA
Sobre Nós
Após anos operando plantas de beneficiamento de Terras Raras, Cassiterita, Tantalita , Zirconita e ouro ,onde adquirimos a experiencia para operar no ramo,,criamos uma empresa importadora especializada na nacionalização e venda de equipamentos para concentração, beneficiamento e separação de minérios


Serviços de Importação e Vendas
Oferecemos soluções completas para beneficiamento de minérios com equipamentos de alta qualidade e eficiência.
Equipamentos de Beneficiamento
Fornecemos equipamentos especializados para o processamento e beneficiamento de minérios, garantindo qualidade e eficiência.


Nacionalização de Produtos
Realizamos a nacionalização de equipamentos importados, facilitando o acesso a tecnologias avançadas para o mercado.




Galeria
Explore nossos equipamentos para beneficiamento de minérios e inovação.






Avaliações Clientes
Veja o que nossos clientes dizem sobre nossos equipamentos de mineração.
Os equipamentos da Oresa melhoraram nossa eficiência no beneficiamento de minérios. Recomendo a todos que buscam qualidade e confiabilidade.
Carlos Silva
Belo Horizonte
A Oresa forneceu equipamentos excepcionais que elevaram nossa produção. A equipe é atenciosa e sempre pronta para ajudar. Estamos muito satisfeitos com a parceria.
Maria Souza
São Paulo
